In this article, you will gain a clear understanding of the fundamental principles that govern domestic wiring. Whether you are a homeowner, a DIY enthusiast, or simply curious about how the electrical systems in your home work, this article will provide you with the necessary knowledge to navigate the world of domestic wiring. By exploring the main rules and guidelines, you will learn how to ensure the safety and efficiency of your electrical connections and make informed decisions when it comes to home maintenance and improvements. So, let’s get started and unravel the mysteries of domestic wiring together!
Understanding the basic principles of domestic wiring
Introduction
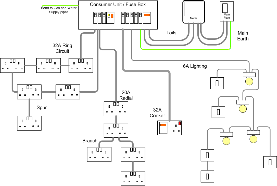
Domestic wiring refers to the electrical system that supplies power to your home. It is essential to understand the basic principles of domestic wiring to ensure the safety and efficiency of your electrical system. This comprehensive article will guide you through the key aspects of domestic wiring, including safety considerations, wiring regulations, types of wiring systems, electrical circuits, electrical panels, wiring components, grounding and bonding, wiring techniques, and troubleshooting common wiring problems.
Safety Considerations
Safety is of utmost importance when it comes to domestic wiring. There are several crucial safety considerations that you need to keep in mind to prevent electrical accidents or hazards. Firstly, always turn off the main power supply before working on any electrical components. It is also essential to wear appropriate protective gear, such as gloves and safety glasses, while handling electrical wiring. Additionally, make sure your electrical system is properly grounded to minimize the risk of electric shocks.
Wiring Regulations
To ensure the safety and standardization of domestic wiring, there are specific wiring regulations that must be followed. These regulations provide guidelines for proper installation, maintenance, and inspection of electrical systems. In many countries, these regulations are set by national authorities or electrical governing bodies. It is crucial to familiarize yourself with the relevant wiring regulations in your area and ensure compliance to maintain a safe and code-compliant electrical system.
Types of Wiring Systems
There are various types of wiring systems commonly used in domestic settings. The most prevalent ones include:
- Conduit Wiring: In this system, electrical wires are enclosed in metal or plastic conduits, providing protection against mechanical damage and preventing the spread of fire.
- Surface Wiring: Surface wiring involves running electrical wires along the surface of walls or ceilings using conduits or trunking. This method is convenient when retrofitting electrical systems in existing buildings.
- Concealed Wiring: Concealed wiring involves running electrical wires behind walls and ceilings. This method offers a neat and aesthetically pleasing installation but requires careful planning and consideration of future electrical needs.
- Cable Wiring: Cable wiring utilizes insulated electrical cables to distribute power. It is commonly used in areas where the wiring needs to be flexible or where there is a high level of moisture.
Understanding the different wiring systems will help you choose the most suitable option for your specific needs and circumstances.
Electrical Circuits
Electrical circuits are the pathways through which electricity flows in your home. Understanding the basics of electrical circuits is vital for safe and efficient domestic wiring. A typical domestic electrical circuit consists of three main components:
- Power Source: The power source is usually the main electrical panel or distribution board that receives electricity from the utility provider.
- Wiring: Electrical wires are used to conduct electricity from the power source to various electrical outlets, fixtures, and appliances in your home.
- Load: The load refers to the electrical devices or equipment that consume electricity, such as lights, fans, kitchen appliances, and electronic devices.
Electrical circuits are designed to provide the appropriate amount of voltage and current to meet the requirements of different loads. It is crucial to understand the concept of current flow, circuit capacity, and load balancing to ensure the safe functioning of your electrical system.
Electrical Panels
The electrical panel, also known as the main distribution board or consumer unit, is the heart of your domestic wiring system. It receives electricity from the utility provider and distributes it to the various circuits in your home. The electrical panel houses circuit breakers or fuses that protect the electrical circuits from overloads and short circuits. It also provides a convenient location to shut off power during maintenance or emergencies. Understanding how to safely operate and maintain your electrical panel is essential for the overall safety and functionality of your electrical system.
Wiring Components
Various components are essential for a well-functioning domestic wiring system. These include switches, outlets, light fixtures, junction boxes, and cable connectors. Switches control the flow of electricity to lights and appliances, while outlets provide access to electrical power. Light fixtures provide illumination, and junction boxes provide a safe enclosure for wire connections. Cable connectors, such as wire nuts or terminal blocks, ensure secure and reliable electrical connections. Familiarizing yourself with these components will empower you to make informed decisions during installation, repair, or modification of your wiring system.
Grounding and Bonding
Grounding and bonding play a critical role in domestic wiring. Grounding provides a safe path for electrical faults to dissipate into the ground, thus protecting you from electric shocks. Bonding ensures the proper connection of metallic components to prevent electrical hazards. Understanding the principles and techniques of grounding and bonding will help you create a safe electrical environment within your home. It is recommended to consult a licensed electrician for guidance on proper grounding and bonding practices.
Wiring Techniques
proper wiring techniques are essential for the longevity and safety of your electrical system. Whether you are installing new wiring or modifying existing wiring, understanding the best practices will help you avoid common pitfalls and ensure a reliable electrical connection. Some essential wiring techniques include correctly stripping and terminating wires, securing cables with appropriate fasteners, and properly labeling wires for easy identification. Adhering to these techniques will allow for easier maintenance, troubleshooting, and upgrades in the future.
Troubleshooting Common Wiring Problems
Despite the best precautions, wiring problems can still occur. It is essential to be able to identify and troubleshoot common wiring issues to maintain a safe and functional electrical system. Some common wiring problems include flickering lights, frequent tripping of circuit breakers, overheating outlets, and faulty switches. By familiarizing yourself with these common issues and their potential causes, you can often resolve the problems or seek professional assistance when necessary.
In conclusion, understanding the basic principles of domestic wiring is crucial for ensuring the safety and efficiency of your electrical system. By considering safety measures, following wiring regulations, choosing the appropriate wiring system, understanding electrical circuits, maintaining electrical panels, using the correct wiring components, practicing grounding and bonding techniques, employing proper wiring techniques, and troubleshooting common wiring problems, you can create a reliable and hazard-free electrical environment in your home. Remember, if you are unsure or uncomfortable with any aspect of domestic wiring, always consult a qualified electrician for assistance.

